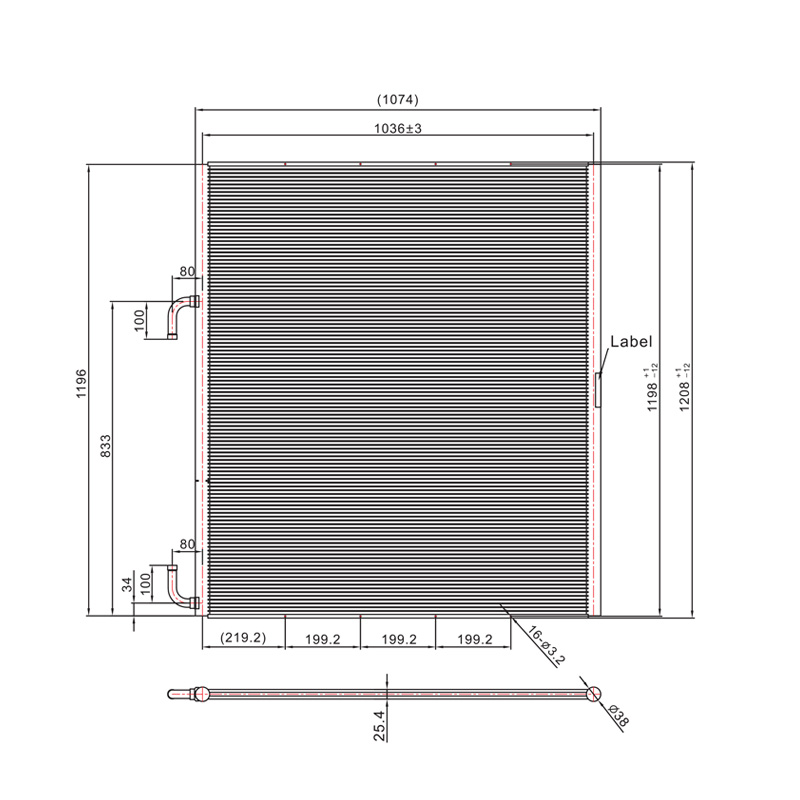
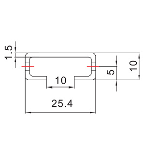
| 型号 | 芯体长度 | 芯体高度 | 扁管厚度 | 翅片片距 | 翅片高度 | 集流管外径 |
| SC-1800 | 1074[mm] | 1208[mm] | 25.4[mm] | 1.1[mm] | 8[mm] | 38[mm] |
| 42.28[in] | 47.56[in] | 1[in] | 23[FPI] | 0.31[in] | 1.5[in] |
| 型号 | 扁管高度 | 扁管数量 | 回路 | 内部容积 | 入口内径直径 | 出口内径 |
| SC-1800 | 2[mm] | 118 | 83/35 | ≈7.18[L] | 22.2[mm] | 22.2[mm] |
| 0.08[in] | ≈438.16[in3] | 7/8[in] | 7/8[in] |
边板安装
铝制微通道换热器在高温下存在热胀冷缩现象,支架安装等必须允许一定的公差范围。
性能参数
| 风速 | 换热性能 [KW/Btu/h×1000] | ||||||||
| [m/s] | [ft/min] | R410A | R134a | ||||||
| △ =10K △ =18°F |
△ =15K △ =27°F |
△ =2K △ =36°F |
△ =25K △ =45°F |
△ =10K △ =18°F |
△ =15K △ =27°F |
△ =2K △ =36°F |
△ =25K △ =45°F |
||
| 1 | 197 | 11.74/40.07 | 20.09/68.57 | 27.62/94.27 | 35.02/119.52 | 12.65/43.17 | 19.61/66.93 | 26.43/90.20 | 33.19/113.28 |
| 1.5 | 295 | 18.23/62.22 | 28.54/97.41 | 39.71/135.53 | 50.38/171.95 | 18.01/61.47 | 27.74/94.68 | 37.54/128.12 | 48.11/164.20 |
| 2 | 394 | 23.03/78.60 | 37.18/126.89 | 50.82/173.45 | 64.59/220.44 | 22.59/77.10 | 35.01/119.49 | 48.62/165.94 | 61.49/209.86 |
| 2.5 | 492 | 27.38/93.45 | 44.69/152.53 | 61.08/208.46 | 77.78/265.46 | 26.81/91.50 | 41.72/142.39 | 58.42/199.39 | 73.92/252.29 |
| 3 | 591 | 31.32/106.8 | 51.72/176.52 | 70.81/241.67 | 90.18/307.78 | 30.72/104.85 | 47.81/163.17 | 67.43/230.14 | 85.45/291.64 |
| 风速 | 换热性能 [KW/Btu/h×1000] | ||||||||
| [m/s] | [ft/min] | R404A | R407C | ||||||
| △ =10K △ =18°F |
△ =15K △ =27°F |
△ =2K △ =36°F |
△ =25K △ =45°F |
△ =10K △ =18°F |
△ =15K △ =27°F |
△ =2K △ =36°F |
△ =25K △ =45°F |
||
| 1 | 197 | 13.02/44.44 | 20.13/68.70 | 27.91/95.26 | 35.29/120.44 | 8.23/28.09 | 16.31/55.67 | 23.61/80.58 | 60.43/206.25 |
| 1.5 | 295 | 18.21/62.15 | 29.42/100.41 | 40.03/136.62 | 50.71/173.07 | 11.03/37.65 | 22.97/78.40 | 33.451114.16 | 44.68/152.49 |
| 2 | 394 | 22.74/77.61 | 37.51/128.02 | 51.12/174.47 | 64.93/221.60 | 14.83/50.61 | 29.03/99.08 | 43.52/148.53 | 57.21/195.26 |
| 2.5 | 492 | 26.81/91.50 | 44.91/153.28 | 61.39/209.52 | 78.12/266.62 | 17.42/59.45 | 34.42/117.47 | 52.13/177.92 | 68.82/234.88 |
| 3 | 591 | 32.81/111.9 | 51.93/177.24 | 70.98/242.25 | 90.42/308.60 | 19.82/67.65 | 39.51/134.85 | 60.43/206.25 | 79.63/271.77 |
空气侧压降数据
| 风速 | 压降 | 风量 | |||
| [m/s] | [ft/min] | [Pa] |
[inch H2O] | [m3/h] |
[cfm] |
| 1 | 197 | 18.7 |
0.08 | 4425.0 |
2602.9 |
| 1.5 | 295 | 29.7 |
0.12 | 6635.0 |
3902.9 |
| 2 | 394 | 46.1 |
0.19 | 8845.0 |
5202.9 |
| 2.5 | 492 | 59.7 |
0.24 | 11055.0 |
6502.9 |
| 3 | 591 | 74.1 |
0.30 | 13265 |
7802.9 |


中文简体


查看更多>>
查看更多>>
查看更多>>
查看更多>>
查看更多>>
查看更多>>
查看更多>>
查看更多>>
查看更多>>
查看更多>>
查看更多>>





